Нормализаторы сигналов термосопротивлений купить в Минске.
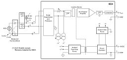
Нормализатор сигналов термосопротивлений — это устройство, предназначенное для стабилизации и преобразования электрических сигналов, генерируемых термометрами сопротивления. Его целью является обеспечение точности и надежности измерений температуры путем коррекции и усиления сигналов, создаваемых термометрами сопротивления, что обеспечивает более точные данные в системах мониторинга температуры и контроля процессов.
Нормализаторы сигналов термосопротивлений купить в ООО «АЙ ЭМ СИ КОМПЬЮТЕРС» (IPC2U в Беларуси):
220072, Минск, пр. Независимости, д. 68, офис 108.
Телефон городской: +375 17 270 33 00
Телефон мобильный: +375 29 319 52 65, Telegram, Viber
E-mail: imc@ipc2u.by
Фильтр
Аналоговый ввод
Аналоговый вывод
Товаров: 81
Сортировать:









